|
Characteristics and applications
The Falk Steelflex T90 Grid Coupling used primarily to connect the flywheel of an engine to the driven machinery. Adapter plates are designed to accommodate standard SAE J620 bolt patterns. The T90 design provides for higher torque ratings with resulting smaller sizes and lower costs than elastomeric coupling designs. The flexible gridmember provides torsional damping in addition to accepting misalignment. Adapter plates and bolted and doweled to the hub to provide a secure joint.
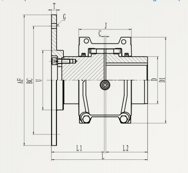
Falk T90 Steelflex Grid Couplings Basic Parameters And Main Dimensions
![]() ![]() |






