|
Characteristics and applications
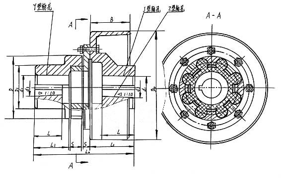
MLL-II (LMZ-II) the jaw coupling : compensate the relative deviation, damping, buffer capacity, small radial dimension, simple structure, no lubrication, high bearing capacity, maintenance, replacement mobile axial elastic elements (except for the MLS type), suitable for connecting a coaxial line, frequent starting, reversing the changes medium, medium speed, torque transmission shaft and the requirements of high reliability work site. It is not suitable for heavy load, low speed and axial size by hardship, the replacement of elastic components of the two axes to the difficult position. Related products
ML - basic type;
MLL-II - split brake wheel type;
MLL-I - integral brake wheel type;
MLZ - single flanged disc;
MLS - double flanged
![]()
MLL-II (LMZ-II) integral brake wheel shaft coupling Basic Parameters And Main Dimensions:(GB/T5272-85) mm
![]() |






